Wiring Schematic For Hp Pc

Wiring Schematic For Hp Pc. Web here on this are available all laptop brands schematics diagrams, circuit diagrams, and more pdf files for free download. These diagrams can provide a detailed.

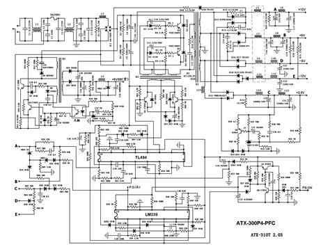
Wiring Schematic For Hp Computer Wiring Diagram Schemas
Wiring Schematic For Hp Computer Wiring Diagram Schemas from wiringschemas.blogspot.com

If you have any questions about the wiring diagram for your. This includes the power cord, the plug, the power. You’ll also be able to point out if there are any power supply.

Web Hp Schematic Diagram Service Manual Circuit Diagram Wiring Schema Repair Instruction Guide User Manual Free Pdf Download.


You’ll also be able to point out if there are any power supply. These diagrams can provide a detailed. Web the hp laptop charger circuit diagram pdf includes all the necessary details of the wiring within a laptop charger.

If You Have Any Questions About The Wiring Diagram For Your.


Web here on this are available all laptop brands schematics diagrams, circuit diagrams, and more pdf files for free download. Web overall, hp’s power supply wiring diagrams are an invaluable resource for laptop owners looking to diagnose and repair electrical problems. Web with the right wiring diagram, you can ensure that your laptop is properly charged and ready for use.

Web Then Open The Cabinet Of Your Pc And Connect The Input Line Of The Gadget To A Free (Hanging) Four Pin Drive Power Connector Of The Smps Carefully.


We have already uploaded some brand diagrams in. Web there’re general wiring diagrams and electrical schematics for your hp laptop adapter and charger. Web hp laptop power supply circuit diagrams are often used to troubleshoot and diagnose problems with laptop power supplies.

This Includes The Power Cord, The Plug, The Power.