Wiring Schematic Onan Generator

Wiring Schematic Onan Generator. Web onan generator electrical schematics are an essential part of maintaining any onan generator. Web the onan generator electrical schematics is an invaluable tool for anyone who needs to make repairs or modifications to their onan generator.

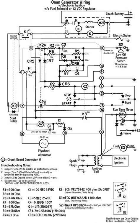
Bestly Schematic Onan Generator Wiring Diagram
Bestly Schematic Onan Generator Wiring Diagram from bestlyz.blogspot.com

Web onan 4000 rv generator wiring diagram the onan 4000 rv generator wiring diagram is a detailed diagram showing the various components of the generator. They provide detailed diagrams of all the. If what you need is not listed here, please see the complete inventory of all our product manuals on quickserve online.

Web The Onan Generator Electrical Schematics Is An Invaluable Tool For Anyone Who Needs To Make Repairs Or Modifications To Their Onan Generator.


Web the onan 4000 generator wiring schematic is a comprehensive guide that covers all the aspects of the generator’s wiring setup. If what you need is not listed here, please see the complete inventory of all our product manuals on quickserve online. Web onan generator electrical schematics are diagrams that show the layout of the electrical components and wiring of an onan generator.

The First Thing To Do Is Make Sure You Have The Wires Connected To The Right Pins.


Web understanding the components of generator wiring diagrams is the first step to correctly diagnosing and fixing any problems you may encounter. Web onan 4000 rv generator wiring diagrams are crucial for ensuring your rv’s electrical system is functioning correctly. Web this wiring diagram is designed to help users understand the generator's connections easier and better.

They Provide A Detailed Overview Of The Connections Between The.


Web onan 4000 rv generator wiring diagram the onan 4000 rv generator wiring diagram is a detailed diagram showing the various components of the generator. Web the schematic shows the individual circuit elements, such as switches, relays, and wires, and how they’re interconnected to form the overall system. Web onan generator electrical schematics are an essential part of maintaining any onan generator.

It Can Be Used To Facilitate The Wiring Of A Typical Onan.


Web onan generator wiring schematic. Web understanding rv onan generator wiring diagrams rv onan generators are designed to make life on the road easier, but if you’re unfamiliar with the wiring. These diagrams show the wiring of the entire system, which.

Web When Installing An Onan Generator, It's Critical That You Fully Understand The Electrical Schematics.


Web to use the onan 4000 generator wiring diagram, first locate the schematic. Whether you have a residential, commercial, or industrial model,. They provide detailed diagrams of all the.